Secador industrial rotativo al vacío patentado con rompe grumos eléctricos
Extrae totalmente todo tipo de disolvente y rompe los grumos que quedan. Una mezcla de potencia e inteligencia para garantizar la máxima calidad y productividad en los procesos de secado, una de las mejores máquinas de la gama Italvacuum.

Farmacéuticos

Química fina

Químicos

Cosméticos

Ingredientes y aditivos alimentarios

Pigmentos de color
De la forma al resultado
Desde la estructura hasta el más mínimo detalle: todo en el secador industrial rotativo CRIOX® System está diseñado para garantizar el máximo resultado de todo el proceso de producción. Empezando por la forma del cuerpo central: la cámara bicónica giratoria del secador rotativo, caracterizada por líneas suaves, facilita la revolución completa y continua de la masa a secar y permite una agitación extremadamente homogénea y uniforme en comparación con un tambor rotativo clásico.
La velocidad de rotación de la cámara es ajustable, permitiendo una agitación de suave a moderada.
CRIOX® System es el secador pulverizador rotativo bicónico al vacío ideal para secar masas húmedas provenientes de procesos de centrifugación o filtración. Gracias a dos potentes grupos de cuchillos rompe grumos eléctricos, el Sistema CRIOX® tritura completamente cualquier posible bloque de producto, permitiendo obtener polvos secos listos para cribar y ensacar.
Secador industrial multiproducto, puede utilizarse con la más amplia gama de productos tanto de estructura cristalina como amorfa, un eficaz mezclador u homogeneizador que también puede utilizarse como granulador en húmedo, seguro para los operarios, el medio ambiente y el producto, ya que está diseñado y construido conforme a las Directivas Europeas CE, ATEX y de acuerdo con las cada vez más estrictas normas de la FDA y las buenas prácticas de fabricación cGMP.

Por qué elegir el sistema Criox


No se acumula el producto

Polvo gradual durante el ciclo

Reducción del tiempo de secado

Mayor superficie expuesta a la evaporación

Bajos valores de humedad final

Máxima facilidad de limpieza (SWAB TEST)

Descarga rápida y total del producto (Easy Unloading)

Pureza garantizada del producto

Automatización total del sistema

Accesorios y componentes
Características principales
Revolución completa y rompegrumos
La forma bicónica de la cámara rotativa del secador se caracteriza por líneas suaves, que facilitan la revolución completa y continua de la masa a secar y permiten una mezcla extremadamente homogénea y uniforme. El máximo resultado de secado industrial está garantizado por la presencia en el interior de la cámara giratoria bicónica de dos potentes grupos de cuchillos rompe grumos. La exclusividad de la patente del Sistema CRIOX® permite aumentar la superficie del producto expuesta a la evaporación y aumentar la efectividad del sistema.
Acción combinada
Gracias a la rotación de la cámara, las cuchillas rompegrumos atraviesan el producto alternativamente y se limpian a sí mismos cuando emergen. Su acción ofrece una doble ventaja: evita la formación de aglomerados de producto y permite moler y pulverizar la masa seca durante la última fase del proceso con granulometría controlada, Actuando en la masa del producto a secar, los rompegrumos reducen significativamente el tiempo de secado y garantizan niveles de humedad residual extremadamente bajos. Además, permiten operar a bajas temperaturas de funcionamiento, en beneficio de la pureza de los productos más delicados y termolábiles, evitando su degradación.
Motores electricos
El sistema CRIOX® es el único secador rotativo al vacío bicónico del mercado que permite accionar los rompegrumos eléctricamente Esto es muy importante, porque los rompegrumos accionados por motores eléctricos proporcionan un rendimiento y unas ventajas únicas:
- control de la velocidad de rotación y constancia de la velocidad seleccionada
- programación de los ciclos de activación
- par constante al variar la velocidad
- control de absorción
- fiabilidad y larga vida útil, incluso en aplicaciones pesadas
- bajo mantenimiento
Accesorios y componentes
El secador del Sistema CRIOX® cuenta con una gama específica de accesorios y componentes especialmente diseñados y patentados para todo tipo de necesidades de producción. Soluciones especiales para obtener los máximos resultados en cualquier aplicación
- Sistemas de filtración;
- Sistemas automáticos de carga y descarga;
- Carga neumática del tambor;
- Fácil descarga Easy unloading;
- Tapa de la escotilla con rotacion sobre el plano de la misma ;
- Carga limpia - Clean Connex
¿Le gustaría saber más? Estamos a su disposición, solicite el catálogo de Criox System
Desde el laboratorio hasta la instalación, nuestra planta piloto

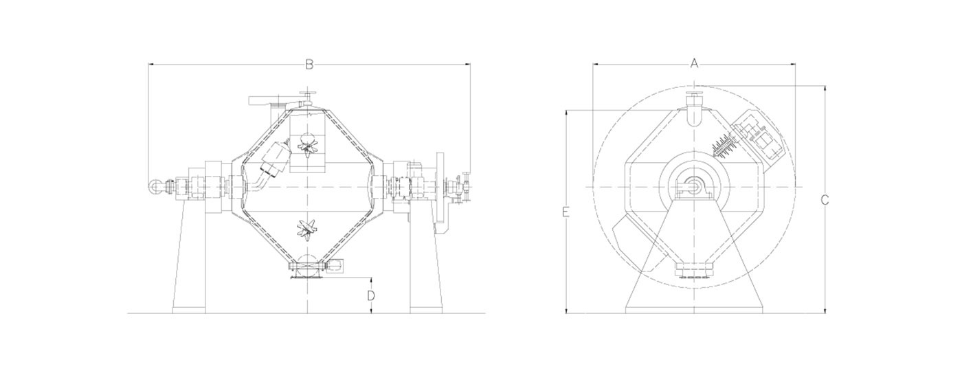
Dimensiones
El sistema CRIOX® permite las más amplias posibilidades de dimensionamiento, ya que puede realizarse con volúmenes de 55 a 12.000 litros. El nivel máximo de carga está en función del producto tratado.

CRIOX System | RBG 55 |
RBG 200 |
RBG 350 |
RBG 600 |
RBG 1000 |
RBG 1500 |
RBG 2000 |
RBG 2500 |
RBG 3000 |
RBG 4000 |
RBG 6000 |
RBG 8000 |
RBG 10000 |
RBG 12000 |
|
---|---|---|---|---|---|---|---|---|---|---|---|---|---|---|---|
Volùmen totale | (l) | 55 | 200 | 350 | 600 | 1000 | 1500 | 2000 | 2500 | 3000 | 4000 | 6000 | 8000 | 10000 | 12000 |
A | mm | 1150 | 1730 | 1950 | 2100 | 2300 | 2460 | 2600 | 2700 | 2920 | 3120 | 2560 | 3750 | 4000 | 4300 |
B | mm | 2060 | 3120 | 3350 | 3600 | 3800 | 4050 | 4250 | 4360 | 4650 | 5000 | 5500 | 5750 | 6500 | 7000 |
C | mm | 1825 | 2200 | 2400 | 2630 | 2850 | 3100 | 3160 | 3200 | 3360 | 3500 | 3850 | 3950 | 4200 | 4400 |
D | mm | 780 | 780 | 780 | 830 | 810 | 815 | 730 | 640 | 630 | 560 | 530 | 360 | 360 | 360 |
E | mm | 1520 | 1520 | 1900 | 2175 | 2425 | 2710 | 2770 | 2855 | 2975 | 3120 | 3490 | 3600 | 3900 | 4100 |
El secador de vacío del sistema CRIOX® cuenta con una gama específica de accesorios y componentes especialmente diseñados y patentados para todo tipo de necesidades de producción. Soluciones especiales para garantizar los máximos resultados en cualquier aplicación.
En la versión estándar del sistema CRIOX®, las piezas en contacto con el producto son de acero inoxidable AISI 316L, pero a petición pueden ser de otros materiales soldables, como ALLOY C-22 y AISI 904L.
Además del sistema CRIOX®, Italvacuum es la única empresa en el mundo capaz de fabricar internamente las unidades auxiliares que completan el sistema, incluido el sistema de vacío que convierte al CRIOX en un secador al vacío:
_618a98f058c3f.jpg)
El sistema CRIOX® ha sido diseñado y construido para que las operaciones de limpieza sean rápidas y eficaces.
- Fácil limpieza interna
- Fácil desmontaje de las piezas internas
- Fácil inspección interna y pruebas (Swab test)
- Fácil limpieza externa